MK体育(MKsports集团)股份公司 - Mk Sports
关于mk体育
mk体育是谁
关于mk体育
mk体育服务
里程碑
mk体育员工
mk体育制造基地
设计制造服务
MKsports集团
通信电子设计制造
工业电子设计制造
航太电子设计制造
海事电子设计制造
消费电子设计制造
医疗电子设计制造
制程能力
生产技术能力
制造能力
测试能力
服务能力
设备能力
品质管控
新闻
公司新闻
行业动态
最新设备
企业社会责任
社会责任管理
社会责任实践
社会责任报告
联系mk体育
联系mk体育
获取报价
检举制度
English
简中
繁中
返回
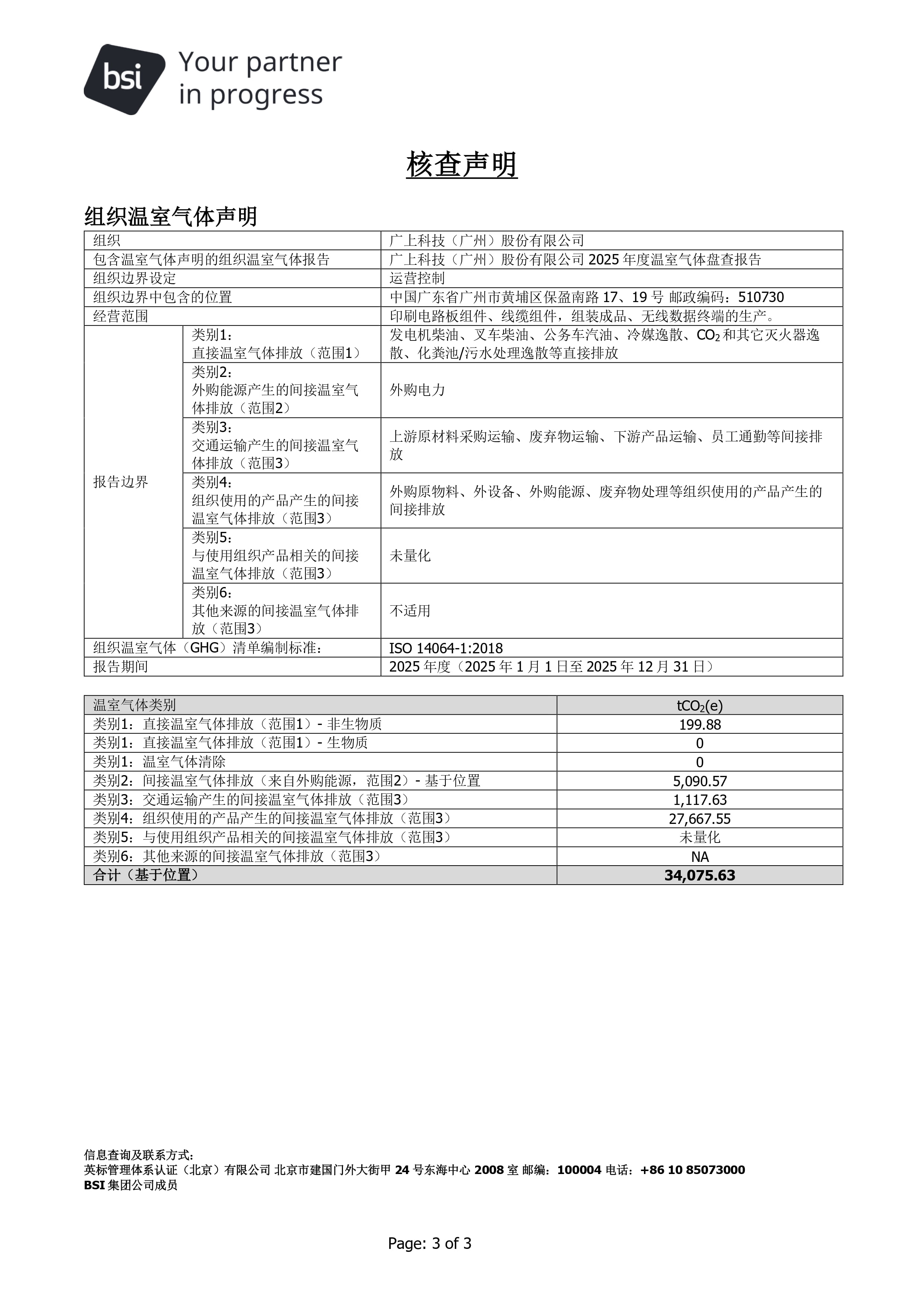
2025年度温室气体核查声明及SBTi减排目标发布公告
2026-04-22 14:20:42
近日,本公司正式发布2025年度温室气体核查声明。同时,公司对外公布基于科学碳目标倡议(SBTi)的减排目标,以持续推动公司永续发展策略。
上一篇文章:
mk体育喜获“高新技术企业”荣誉
下一篇文章:
mk体育亮相珠海AIE全球智能机械与电子产品博览会
关于mk体育
服务
制程能力
品质管控
新闻
企业社会责任
联系mk体育
联系我们, 取得最新信息
subscribe
+86.20.82217620
info@prime3c.com
Copyright@2026 mk体育(广州)股份有限公司版权所有
粤ICP备2023087648号
粤公网安备44011202003281号
Top
在线留言
x
Info@prime3c.com
+86.20.82217620
姓名
*
公司
*
邮箱
*
电话
*
留言*